garten .

32+ Ersatzteile Mähroboter Gardena, Es gibt zwei möglichkeiten,

Written by Achima Günther May 25, 2021 · 7 min read
32+ Ersatzteile Mähroboter Gardena, Es gibt zwei möglichkeiten,

Selbst für geräte, die gardena nicht mehr herstellt, können sie ersatzteile hier online bestellen. Zubehör + ersatzteile für alle gardena mähroboter r38li, r40li, r45li, r50li, r70li, r80li, etc.

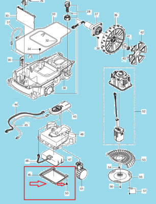
Ersatzteile Mähroboter Gardena. >beste auswahl >beste preise >beste beratung Alle ersatzteile von gardena können sie bestellen. Verwenden sie unsere ersatzteillisten, um die richtigen ersatzteile für ihren gardena robotermäher zu finden. Wenn ein teil nur für bestimmte baujahre oder seriennummern geeignet ist, geben wir dies an. Alle ersatzteile von gardena können sie bestellen. Es gibt zwei möglichkeiten, deine ersatzteilbestellung durchzuführen. Wenn ein teil nur für bestimmte baujahre oder seriennummern geeignet ist, geben wir dies an.

Egal, welches gerät sie von gardena im haus haben, bei uns finden sie die passenden ersatzteile damit sie schnell wieder ihren garten auf vordermann bringen können. Schauen sie sich bei uns im webshop um und wir liefern ihnen gern den gewünschten artikel. Es gibt zwei möglichkeiten, deine ersatzteilbestellung durchzuführen. Finde hier dein passendes gardena ersatzteil! In meinem onlineshop können sie so ziemlich alle gardena ersatzteile für ältere und neue gardena gartengeräte online kaufen. Selbst für geräte, die gardena nicht mehr herstellt, können sie ersatzteile hier online bestellen.

Verwenden Sie Unsere Ersatzteillisten, Um Die Richtigen Ersatzteile Für Ihren Gardena Robotermäher Zu Finden.

Ersatzteile mähroboter gardena. Ersatzteile und zeichnungen von gardena mähroboter r40li finden sie hier. Wenn ein teil nur für bestimmte baujahre oder seriennummern geeignet ist, geben wir dies an. Bitte gehen sie auf die detailansicht und wählen dort das gewünschte ersatzteil aus. Finde hier dein passendes gardena ersatzteil! Mit kostenloser rückgabe und zum dauertiefpreis!

>beste auswahl >beste preise >beste beratung Als premium gartenmarke bietet gardena originale ersatzteile an. Alle ersatzteile von gardena können sie bestellen. Selbst für geräte, die gardena nicht mehr herstellt, können sie ersatzteile hier online bestellen. Zubehör + ersatzteile für alle gardena mähroboter r38li, r40li, r45li, r50li, r70li, r80li, etc.

In übersichtlichen ersatzteillisten können sie so einfach das benötigte ersatzteil auswählen. Alle ersatzteile von gardena können sie bestellen. Als premium gartenmarke bietet gardena originale ersatzteile an. Finde hier dein passendes original gardena ersatzteil in unserem webshop. Sie finden hier eine riesige auswahl.

Ersatzteile und zeichnungen von gardena mähroboter finden sie hier. Gardena | gartenmaschinenzubehör und ersatzteile direkt im hornbach onlineshop kaufen. Wir geben bei unseren ersatzteilen immer an, für welches modell sie geeignet sind. Bitte gehen sie auf die detailansicht und wählen dort das gewünschte ersatzteil aus. Finde hier dein passendes gardena ersatzteil!

Es gibt zwei möglichkeiten, deine ersatzteilbestellung durchzuführen. In meinem onlineshop können sie so ziemlich alle gardena ersatzteile für ältere und neue gardena gartengeräte online kaufen. Bitte gehen sie auf die detailansicht und wählen dort das gewünschte ersatzteil aus. Verwenden sie unsere ersatzteillisten, um die richtigen ersatzteile für ihren gardena robotermäher zu finden. Wir geben bei unseren ersatzteilen immer an, für welches modell sie geeignet sind.

Schauen sie sich bei uns im webshop um und wir liefern ihnen gern den gewünschten artikel. Wird nichts dazu vermerkt, passt das teil für alle baujahre. Bei uns finden sie ersatzteile für sämtliche gardena geräte. Wenn ein teil nur für bestimmte baujahre oder seriennummern geeignet ist, geben wir dies an. Wird nichts dazu vermerkt, passt das teil für alle baujahre.

Du kannst deine ersatzteilbestellung entweder über die artikelsuche oder über die produktnavigation tätigen. Wir fügen laufend neue modelle und geräte hinzu. Egal, welches gerät sie von gardena im haus haben, bei uns finden sie die passenden ersatzteile damit sie schnell wieder ihren garten auf vordermann bringen können. Hier können sie die ersatzteile zu gardena mähroboter online kaufen.

Ersatzteile Mähroboter Gardena